会员登录  浏览量:13468490次
上海枫信传动机械有限公司
Shanghai letter transmission Machinery Co., Ltd.

产品展示

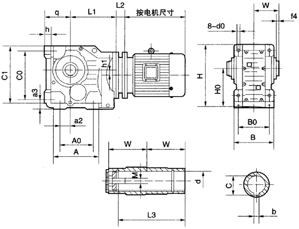
弧齿锥齿轮硬齿面减速电机安装结构尺寸

    MJA127、MJA157安装结构尺寸图表
型号
安装尺寸
轴伸尺寸
外形尺寸
H0
B0
A0
C0
a2
a3
q
d0
d
b
c
L3
M
B
L1
H
W
f4
h1
A
C1
h
L2
MJA127
375
330
350
420
115
110
225
39
100H7
28
106.4
370
M24
400
390
592
205
2.5
57.2
460
526
45
MJA157
450
420
380
500
140
130
280
39
120H7
32
127.4
457
M24
500
426
705
250
6
77
495
634
50

弧齿锥齿轮硬齿面减速电机安装结构尺寸

弧齿锥齿轮硬齿面减速电机安装结构尺寸

MJAZ37……系列弧齿锥齿轮硬齿面减速电机安装结构尺寸图表

    MJAZ37-157安装结构尺寸图表
型号
安装尺寸
轴伸尺寸
外形尺寸
H0
D1
Fig
β
f4
L5
h2
h3
M2
d1
d
b
c
L3
L4
M1
A
h1
q
L1
H
W1
D2
D3
W
L2
MJAZ37
100
94
1
53°
9
12
11.5
3
M8
9
30H7
8
33.3
105
17
M10×25-8.8
147
7
71
142
165
63
110
80j6
60
MJAZ47
112
102
1
50°
8.5
17
11
3
M10
11
35H7
10
38.3
130
22
M12×30-8.8
175
6.3
75
166
185
78
120
80j6
75
MJAZ57
132
125
2
47°
9
20
12
3.5
M12
13.5
40H7
12
43.3
142
29
M16×40-8.8
192
16.1
96
175
215
86
155
105j6
83
MJAZ67
140
125
1
45°
8.5
20
12
3.5
M12
13.5
40H7
12
43.3
156
29
M16×40-8.8
207
20
94
179
228
94
150
105j6
90
MJAZ77
180
142
2
40°
10
20
14
3.5
M12
13.5
50H7
14
53.8
183
32
M16×45-8.8
225
31.3
109
202
288
108
170
125j6
105
MJAZ87
212
178
2
45°
11
22
15
4
M16
17.5
60H7
18
64.4
210
36
M20×50-8.8
300
25.9
132
257
340
123
215
155j6
120
MJAZ97
265
200
2
30°
8
25
18
4
M16
17.5
70H7
20
74.9
270
34
M20×50-8.8
328
32.3
158
277
414
153
250
160j6
150
MJAZ107
315
255
3
0.5
24
22
4
M16
17.5
90H7
25
95.4
310
40
M24×60-8.8
400
53.5
199
354
505
178
300
210j6
175
MJAZ127
375
300
3
5
25
30
5
M16
17.5
100H7
28
106.4
370
38
M24×60-8.8
460
57.2
225
390
592
208
350
250h6
205
MJAZ157
450
340
3
4
32
28
5
M20
22
120H7
32
127.4
457
36
M24×60-8.8
495
77
280
426
705
253
400
290h6
250

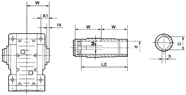
MJAB47……系列弧齿锥齿轮硬齿面减速电机安装结构尺寸图表

    MJAB47-157安装结构尺寸图表
型号
W
f4
A1
M
d
c
b
L2
MJAB47
75
2.5
15
M12
35H7
38.3
10
130
MJAB57
83
3
18
M16
40H7
43.3
12
142
MJAB67
90
3.5
20
M16
40H7
43.3
12
156
MJAB77
105
4
22.5
M16
50H7
53.8
14
183
MJAB87
120
4
30
M20
60H7
64.4
18
210
MJAB97
150
4
30
M20
70H7
74.9
20
270
MJAB107
175
2.5
40
M24
90H7
95.4
25
310
MJAB127
同MJA
MJAB157
同MJA
    注:其它尺寸请参见MJ机型
MJAF37-157安装结构尺寸图表

MJAF37……系列弧齿锥齿轮硬齿面减速电机安装结构尺寸图表

型号
安装尺寸
轴伸尺寸
外形尺寸
L3
D1
R
D2
d0
Fig
M
l
c
b
d
D
C1
W
MJAF37
105
130
3.5
110h7
4-φ9
1
M10
24
33.3
8
30H7
160
10
60
MJAF47
130
165
3.5
130h7
4-φ9
1
M12
25
38.3
10
35H7
200
12
75
MJAF57
142
215
4
180h7
4-φ13.5
1
M16
23.5
43.3
12
40H7
250
15
83
MJAF67
156
215
4
180h7
4-φ13.5
1
M16
23
43.3
12
40H7
250
15
90
MJAF77
183
265
4
230h7
4-φ13.5
1
M16
37
53.8
14
50H7
300
16
105
MJAF87
210
300
5
250h7
4-φ18
1
M20
30
64.4
18
60H7
350
18
120
MJAF97
270
400
5
350h7
8-φ18
2
M20
41.5
74.9
20
70H7
450
22
150
MJAF107
310
400
5
350h7
8-φ18
2
M24
41
95.4
25
90H7
450
22
175
MJAF127
370
500
5
450h7
8-φ18
2
M24
51
106.4
28
100H7
550
25
205
MJAF157
457
600
6
550h7
8-φ22
2
M24
60
127.4
32
120H7
660
28
250
注:MJAF37-MJAF107其它尺寸请参见MJA型
    MJAF127-MJAF157其它尺寸请参见MJ型
MJF37-107安装结构尺寸图表
MJF37……系列弧齿锥齿轮硬齿面减速电机安装结构尺寸图表
 

型号
安装尺寸
轴伸尺寸
外形尺寸
H0
S
R
D1
d0
Fig
D2
b
d
l
c
L1
W
D
h1
C1
H
L2
MJF37
100
M10
3.5
130
4-φ9
1
110h7
8
25k6
50
28
142
134
160
7
10
165
 
MJF47
112
M10
3.5
165
4-φ9
1
130h7
8
30k6
60
33
166
160
200
6.3
12
176
MJF57
132
M12
4
215
4-φ13.5
1
130h7
10
40k6
70
38
175
177
250
16.1
15
215
MJF67
140
M16
4
215
4-φ13.5
1
180h7
12
40k6
80
43
179
193
250
20
15
228
MJF77
180
M16
4
265
4-φ13.5
1
230h7
14
50k6
100
53.5
202
242
300
31.3
16
288
MJF87
212
M20
5
300
4-φ18
1
250h7
18
60m6
120
64
257
270
350
25.9
18
340
MJF97
265
M20
5
400
8-φ18
2
350h7
20
70m6
140
74.5
277
332
450
32.3
22
414
MJF107
315
M24
5
400
8-φ18
2
350h7
25
90m6
170
95
354
386
450
53.5
22
505

注:其它尺寸请参见MJA

MJF127、MJF157安装结构尺寸图表
弧齿锥齿轮硬齿面减速电机安装结构尺寸
型号
安装尺寸
轴伸尺寸
外形尺寸
H0
S
R
D1
d0
D2
b
d
l
c
L1
W
D
h1
C1
H
L2
MJF127
375
M24
5
500
8-φ18
450h7
28
110m6
210
116
390
466
550
57.2
25
592
见93页
MJF157
450
M24
6
600
8-φ22
550h7
32
120m6
210
127
426
520
660
77
28
705
注:其它尺寸请参见MJ型

MJAT37-157安装结构尺寸图表

MJAT37……系列弧齿锥齿轮硬齿面减速电机安装结构尺寸图表

型号
L2
β
C8
R
P
l
H0
d1
L10 -0.3
a4
d2
MJAT37
31
60°
10
22.5
140
20
100
10.4±0.1
36
23.5
26+0.25 +0.1
MJAT47
31
55°
12
22.5
160
20
112
10.4±0.1
36
30
26+0.25 +0.1
MJAT57
54
55°
13
29
192
18
132
16.4±0.08
60
40
40+0.25 +0.1
MJAT67
54
55°
13
29
200
25
140
16.4±0.08
60
45
40+0.25 +0.1
MJAT77
54
60°
14
29
250
25
180
16.4±0.08
60
52.5
40+0.25 +0.1
MJAT87
72
60°
16
41
300
30
212
25±0.08
80
60
60+0.25 +0.1
MJAT97
92
50°
17
41
350
40
265
25±0.08
100
70
60+0.25 +0.1
MJAT107
92
55°
20
41
450
45
315
25±0.08
100
74
60+0.25 +0.1
MJAT127
110
65°
45
70
550
7
375
40±0.08
126
60
MJAT157
110
70°
45
70
700
2
450
40±0.08
126
50

MJ..37MD17- MJ187MD107安装结构尺寸图表

MJ..37MD17……系列弧齿锥齿轮硬齿面减速电机安装结构尺寸图表

型号
L1
P3
H0
L2
MJ..37MD17
145.5
59
76
 
MJ..47MD37
150.5
61
94
MJ..57MD37
150.5
61
94
MJ..67MD37
150.5
61
94
MJ..77MD37
151
61
94
MJ..87MD57
189
72
121
MJ..97MD57
190
72
121
MJ..107MD77
227
72
121
MJ..127MD77
227
88
144
MJ..127MD87
274
115
184
MJ..157MD97
323
114
230
MJ167MD97
323
114
230
MJ187MD97
323
115
230
MJ..157MD107
361
158
255
MJ167MD107
361
158
255
MJ187MD107
361
158
255

 注:其它尺寸请参见MJ系列

页次:5/6  每页10条  共52条信息  分页:[1][2][3][4][5][6]

上海枫信传动机械有限公司

电话:021-69577152  传真:021-69577328  地址:上海市嘉定区外冈镇宝钱公路5000弄

减速机 减速机超市 Reducer - Gearbox