会员登录  浏览量:13468133次
上海枫信传动机械有限公司
Shanghai letter transmission Machinery Co., Ltd.

产品展示

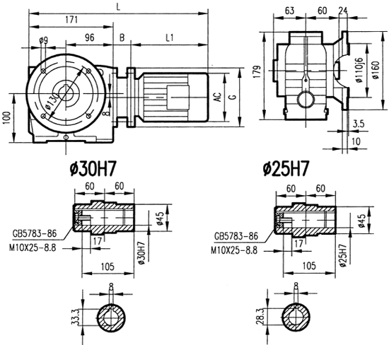
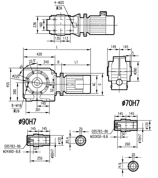
GSA97系列减速电机安装结构尺寸

GSA97系列减速电机安装结构尺寸

    GSA97安装结构尺寸
电机机座号
80
90S
90L
100L
112M
132S
132M
160M
160L
180M
180L
AC
175
195
195
215
240
275
275
330
330
380
380
AD
145
155
155
180
190
210
210
255
255
280
280
B
65
65
65
81.5
81.5
92
92
125
125
125
125
G
200
200
200
250
250
300
300
350
350
350
350
L1
255
270
295
325
340
390
430
505
560
590
630
L
740
755
780
826.5
841.5
902
942
1050
1105
1135
1175

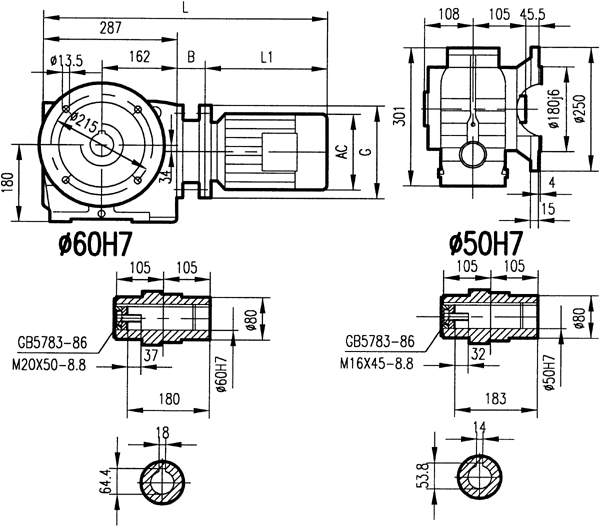
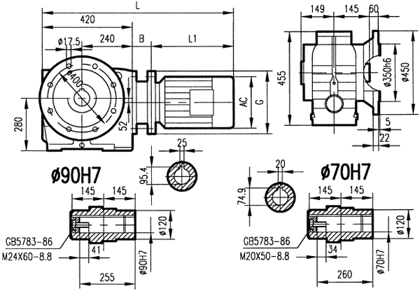
GSAF37系列减速电机安装结构尺寸

GSAF37系列减速电机安装结构尺寸

    GSAF37安装结构尺寸
电机机座号
63
71
80
90S
90L
AC
130
145
175
195
195
AD
70
80
145
155
155
B
45
50.5
60.5
60.5
60.5
G
140
160
200
200
200
L1
207
225
255
270
295
L
395
418.5
458.5
473.5
498.5
    注:机座80,90超过底座。

GSAF47系列减速电机安装结构尺寸

GSAF47系列减速电机安装结构尺寸

    GSAF47安装结构尺寸
电机机座号
63
71
80
90S
90L
AC
130
145
175
195
195
AD
70
80
145
155
155
B
45
50.5
60.5
60.5
60.5
G
140
160
200
200
200
L1
207
225
255
270
295
L
423
446.5
486.5
501.5
526.5
    注:机座80,90超过底座。

GSAF57系列减速电机安装结构尺寸

GSAF57系列减速电机安装结构尺寸

    GSAF57安装结构尺寸
电机机座号
63
71
80
90S
90L
100L
AC
130
145
175
195
195
215
AD
70
80
145
155
155
180
B
45
50.5
60.5
60.5
60.5
85.5
G
140
160
200
200
200
250
L1
207
225
255
270
295
325
L
439
462.5
502.5
517.5
542.5
597.5
    注:机座80,90,100L超过底座。

GSAF67系列减速电机安装结构尺寸

GSAF67系列减速电机安装结构尺寸

    GSAF67安装结构尺寸
电机机座号
63
71
80
90S
90L
100L
112M
132S
AC
130
145
175
195
195
215
240
275
AD
70
80
145
155
155
180
190
210
B
44.5
50
69
69
69
81
81
93
G
140
160
200
200
200
250
250
300
L1
207
225
255
270
295
325
340
390
L
493.5
517
566
581
606
648
663
725
    注:机座100L,112M,132S超过底座。

GSAF77系列减速电机安装结构尺寸

GSAF77系列减速电机安装结构尺寸

    GSAF77安装结构尺寸
电机机座号
63
71
80
90S
90L
100L
112M
132S
132M
AC
130
145
175
195
195
215
240
275
275
AD
70
80
145
155
155
180
190
210
210
B
44.5
50
70
70
70
75
75
96.5
96.5
G
140
160
200
200
200
250
250
300
300
L1
207
225
255
270
295
325
340
390
430
L
538.5
562
612
627
652
687
712
773.5
813.5
    注:机座132S,132M超过底座。

GSAF87系列减速电机安装结构尺寸

GSAF87系列减速电机安装结构尺寸

    GSAF87安装结构尺寸

电机机座号
80
90S
90L
100L
112M
132S
132M
160M
160L
AC
175
195
195
215
240
275
275
330
330
AD
145
155
155
180
190
210
210
255
255
B
70
70
70
82
82
92
92
130
130
G
200
200
200
250
250
300
300
350
350
L1
255
270
295
325
340
390
430
505
560
L
665
680
705
747
792
822
862
975
1030

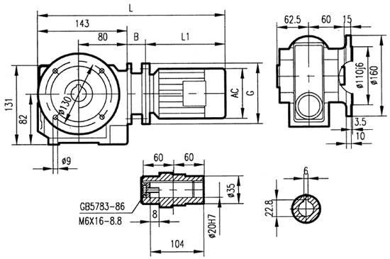
GSAF97系列减速电机安装结构尺寸

GSAF97系列减速电机安装结构尺寸

    GSAF97系列减速电机安装结构尺寸

电机机座号
80
90S
90L
100L
112M
132S
132M
160M
160L
180M
180L
AC
175
195
195
215
240
275
275
330
330
380
380
AD
145
155
155
180
190
210
210
255
255
280
280
B
65
65
65
81.5
81.5
92
92
125
125
125
125
G
200
200
200
250
250
300
300
350
350
350
350
L1
255
270
295
325
340
390
430
505
560
590
630
L
740
755
780
826.5
841.5
902
942
1050
1105
1135
1175

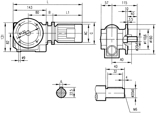
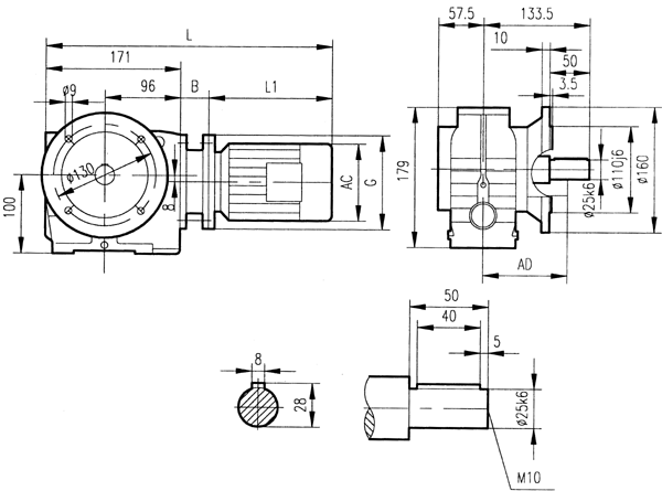
GSF37系列减速电机安装结构尺寸

GSF37系列减速电机安装结构尺寸

    GSF37系列减速电机安装结构尺寸

电机机座号
63
71
80
90S
90L
AC
130
145
175
195
195
AD
70
80
145
155
155
B
45
50.5
60.5
60.5
60.5
G
140
160
200
200
200
L1
207
225
255
270
295
L
395
418.5
458.5
473.5
498.5
        注:机座80,90超过底座。

GSF47系列减速电机安装结构尺寸

GSF47系列减速电机安装结构尺寸

    GSF47系列减速电机安装结构尺寸

电机机座号
63
71
80
90S
90L
AC
130
145
175
195
195
AD
70
80
145
155
155
B
45
50.5
60.5
60.5
60.5
G
140
160
200
200
200
L1
207
225
255
270
295
L
423
446.5
486.5
501.5
526.5
        注:机座80,90超过底座。
页次:6/7  每页10条  共70条信息  分页:[1][2][3][4][5][6][7]

上海枫信传动机械有限公司

电话:021-69577152  传真:021-69577328  地址:上海市嘉定区外冈镇宝钱公路5000弄

减速机 减速机超市 Reducer - Gearbox